• 當前位置: 首頁 > 新聞資訊 > 行業新聞 > 詳細內容

    行業資訊 | 干貨:裝配式住宅結構設計要點

    廣東建筑工業化展     2019-06-27     768

    國制造2025”是我國政府實施制造強國戰略的第一個十年行動綱領,在工業化建筑和“中國制造 2025”新一輪科技革命和產業變革背景下,我國建筑行業迎來新的變革和重大影響,特別是裝配式住宅,已在各地普遍實踐,取得了廣泛的市場認可并積累了一定的設計經驗,今天就分享一下裝配式住宅結構設計的一些心得。


    預制率和裝配率

    目前除國標《裝配式建筑評價標準》中對裝配率做了統一規定外,上海、江蘇、北京、成都、深圳、湖南、湖北等省市也陸續出臺了針對當地的預制率和裝配率計算細則。但在納入預制率(裝配率)計算的構件范圍以及各類構件預制率(裝配率)的折算比例方面都有所差別。

    以上海預制率和裝配率計算細則為例,預制率是指混凝土結構、鋼結構、鋼-混凝土混合結構、木結構等結構類型的裝配式建筑±0.000 以上主體結構和圍護結構中預制構件部分的材料用量占對應構件材料總用量的比率。規范列出了兩種計算方法

    計算方法一:

    預制率=預制混凝土構件體積/(預制混凝土構件體積+現澆混凝土體積)

    計算方法二:

    預制率=∑(構件權重×修正系數×預制構件比例)×100%

    計算時需要注意以下幾點:

    1.上海地區計算范圍為室外地坪以上,以每棟單體建筑為計算單元。

    2.上海地區預制構件范圍僅包含主體結構和外墻圍護結構,幕墻、石材、石膏板等非混凝土預制構件不計入預制率,內墻填充墻不計入預制率。

    3.方法一僅用于混凝土結構,方法二可用于混凝土結構、鋼結構和木結構。混凝土結構的裝配式住宅采用兩種方法計算均可。

    裝配率是指裝配式建筑中預制構件、建筑部品的數量(或面積)占同類構件或部品總數量(或面積)的比率。 

    建筑單體裝配率 = 建筑單體預制率 + 部品裝配率 + 其他

    部品裝配率 = ∑(部品權重 × 部品比例) ×100%

    其中,“部品”指預制內隔墻、單元式幕墻、集成式廚房、集成式衛生間、集成管道井、集成排煙道。“其他”指結構與保溫一體化、墻體與窗框一體化、集成式墻體、集成式樓板、組合成型鋼筋制品。 

    裝配式結構體系選型

    常見的裝配式結構體系有全預制剪力墻承重體系、預制剪力墻外墻模板體系、預制雙面疊合剪力墻體系等。各體系的代表工藝及優缺點如下圖所示。

    裝配式結構體系及特點

    全預制剪力墻承重體系

    預制剪力墻外墻模板體系

    預制雙面疊合剪力墻體系

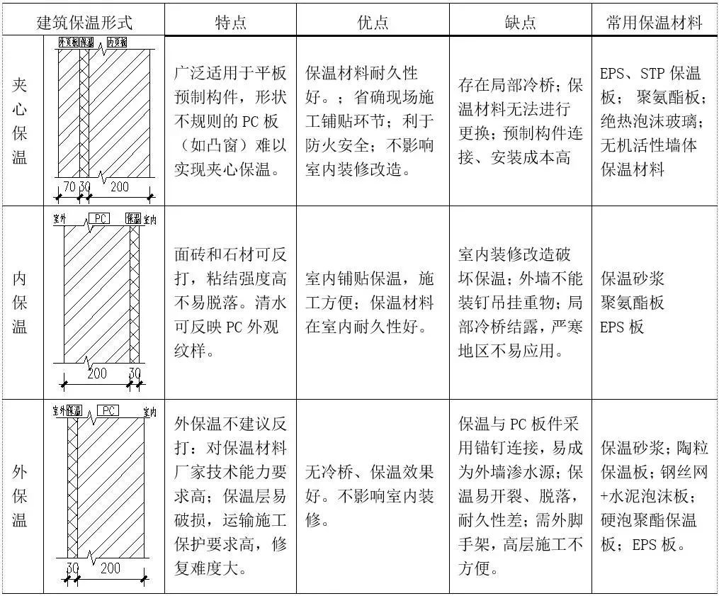
    制約預制結構體系的因素主要有兩個方面,一是建筑高度,按照現有規范的規定,不同結構體系的裝配整體式房屋有最大適用高度限值。二是建筑保溫形式,常見的保溫形式有夾心保溫、內保溫和外保溫,設計時應考慮各類保溫形式的特點及使用材料進行選擇。

    裝配整體式結構房屋的最大適用高度(m)

    常見保溫形式及特點

    各階段PC專項設計內容及要點

    方案階段:

    方案階段的PC專項設計主要有以下內容:

    (1)根據各地政策和業主要求確定裝配式建筑的面積比例和預制率

    (2)選擇預制結構體系

    (3)確定預制構件類型和樓層范圍

    其中,在確定預制構件類型時,應注意剪力墻結構底部加強區不宜做預制、框支結構的轉換梁和框支柱應現澆、高層的電梯井筒宜采用現澆結構。而在預制樓層的選擇上,對于房屋的地下室樓層和屋面層,宜采用現澆樓蓋結構;對于開洞過大的樓層、結構轉換層,應采用現澆樓蓋結構。

    初步設計階段:

    初步設計階段的PC專項設計主要有以下內容:

    (1)PC結構設計說明

    (2)預制構件平面分布圖

    (3)預制構件立面分布圖

    (4)典型墻身剖面圖和連接詳圖

    (5)相關計算書——包括夾心保溫外墻面積計算和預制率計算

    預制構件平面分布圖示意

    預制構件立面分布圖示意

    施工圖設計階段:

    施工圖階段的PC專項設計主要有以下內容:

    (1)編寫PC結構施工設計總說明

    (2)預制構件平面分布圖——圖紙中應區分現澆結構及預制結構,繪出預制結構構件的位置及定位尺寸;繪出預制結構構件型號或編號及詳圖索引號;標注較大構件的尺寸及重量及吊裝距離最遠的構件

    (3)預制構件立面分布圖,應表達一整棟建筑立面上的預制構件與現澆混凝土的范圍以及預制構件的名稱

    (4)預制構件剖面圖以表達建筑的預制構件墻身詳圖及節點詳圖索引

    (5)預制構件公共詳圖——包括水平和豎向縫連接詳圖,夾心保溫排水管設置詳圖,預制剪力墻水平和豎向連接詳圖,預制梯段板端部連接詳圖,夾心保溫內外頁板連接詳圖,預制墻施工用斜撐詳圖,預制外墻調標高詳圖、PC與現澆陰角模板施工詳圖,雙向疊合板整體式接縫構造圖等

    (6)預制構件索引節點詳圖——包括凸窗與疊合梁的連接詳圖,PC墻的豎向和水平連接,陽臺板與疊合梁的連接詳圖,轉換層與PC構件的連接詳圖,陽臺隔墻上下連接詳圖等

    (7)PC計算書——包括預制率計算;預制夾心保溫外墻面積計算;剪力墻水平接縫計算;預制構件正常使用階段錨固驗算;預制構件脫模和吊裝階段計算等

    預制構件公共詳圖示意

    預制構件索引節點詳圖示意

    PC深化階段:

    PC深化設計階段需要提供的設計成果主要有以下內容,相比施工圖階段的設計成果主要增加了最后5項內容:

    (1)PC結構施工設計總說明 

    (2)預制構件平面分布圖 

    (3)預制構件立面分布圖 

    (4)墻身剖面圖 

    (5)標準節點詳圖 

    (6)索引節點詳圖 

    (7)現場埋件分布圖 

    (8)構件加工圖 

    (9)預制構件裝配圖 

    (10)金屬件加工圖 

    (11) PC構件工程量統計清單

    常用連接件形式

    常見的連接件形式有FRP連接件、不銹鋼連接件和灌漿套筒等,各連接件的作用和優缺點如下所示。

    FRP連接件

    不銹鋼連接件

    灌漿套筒

    經濟性對比

    相比傳統現澆住宅,裝配式住宅因為材料、模板、運輸、臨時支撐等成本的增加,導致其結構造價偏高,且預制率越高造價增加越多。目前住宅常用的三種裝配式結構體系相較于傳統現澆結構每平米增加的造價可參考下表。表中數值來自2016~2017年的多個住宅項目的統計,隨著裝配式住宅的普及,相信未來結構造價將呈不斷降低的趨勢。

    裝配式住宅造價增加參考表

    (數據來自2016~2017年多個住宅項目統計)

    結語

    裝配式住宅采用構件預制生產和現場整澆的形式,能夠提升建筑業的工作效率和工程質量。隨著我國城市化進程的推進和“中國制造2025”的政策促進下,未來裝配式住宅仍有廣闊的應用前景。

    精 彩 預 告

    BIC作為中國建筑業最具影響力的商業展之一,堅持“國際引領、技術創新、社群打造”,以建筑工業化及內裝工業化為核心,以智能制造,數字建造為主題,深耕行業,細分市場,打造國際資源與國內技術,工程及貿易融合的高端戰略平臺,成為全球建筑工業認識和走入中國市場的窗口。


    2019年8月25-27日,由百年國際展覽集團VNU在華公司打造的亞洲建筑工業展“BIC第七屆亞洲國際建筑工業化(廣州)展覽會”將在廣交會琶洲展館B區重磅亮相;本屆展會將立體呈現裝配式建筑全產業鏈的最新技術、產品及設備,搭建綠色建筑影響力平臺,推動中國裝配式建筑的發展。

    展會詳情,請聯絡:
    VNU集團 | 廣州萬耀縱橫展覽有限公司
    電話:020—61198886
    網址:www.bicgz.com



    020-22093641 zlexpo@zlexpo.org 留言咨詢 參展聯絡 參觀聯絡 參展聯絡
     

    首 頁 展會概況 展商服務 觀眾服務 預約參觀 線上參展 新聞資訊 合作媒體 聯系我們 高峰論壇 資料下載 English

    導航
  • 500av导航大全精品